Guangdong Menlo Electric Power CO.,LTD is a High-tech enterprise integrating research and development, the production, the sale and the post-sale service.
Guangdong Menlo Electric Power CO.,LTD is a High-tech enterprise integrating research and development, the production, the sale and the post-sale service.
Guangdong Menlo Electric Power CO.,LTD is a High-tech enterprise integrating research and development, the production, the sale and the post-sale service.
Guangdong Menlo Electric Power CO.,LTD is a High-tech enterprise integrating research and development, the production, the sale and the post-sale service.
Guangdong Menlo Electric Power CO.,LTD is a High-tech enterprise integrating research and development, the production, the sale and the post-sale service.
Compared with the traditional secondary battery, the energy storage capacitor can meet the demand for high power energy storage devices in some application fields such as electric vehicles, electronic storage devices, home appliances, aerospace equipment and so on because of its long life and high power density. Therefore, since its inception, the application of this energy storage device has expanded rapidly. This paper briefly introduces the energy storage capacitor and summarizes its application.
MLC-LL

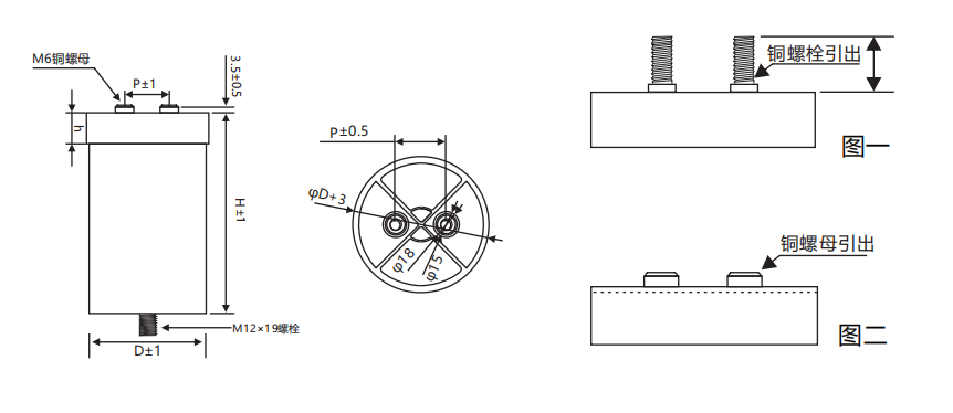
Menlo MLC-LL Outline drawing of metallized film filter/energy storage capacitor:

Note: The above specifications are for model selection reference, and can be designed separately if there are special requirements.
Refer to the following figure for typical circuit diagram:

performance
index
The performance of open-circuit MLC-LL metallized film filter/energy storage capacitor is introduced as follows:

Note: If the altitude exceeds 2000m, the impact of altitude on convection cooling and external insulation should be considered. Note: lt should take consideration regarding to convectional cooling and outter insulation as long as the height is exceed 2000m.
appearance
size

characteristic
Used in DC filter circuit, can replace electrolytic capacitor;
The equivalent series resistance is small and can withstand large ripple current;
Small self-induction, low temperature rise, long service life;
Installation is simple and convenient.
Applicable scenario
SVG dynamic reactive compensation equipment
Solar power generation, wind power generation inverter
Inverter, UPS, welding machine, power supply
Locomotive, electric vehicle and hybrid vehicle